众所周知,在 SOLIDWORKS 中使用“分离的工程图”可以在没有三维模型的前提下读取图纸,便于设计交流和打印使用,而此项技术引擎过于落后也给用户造成了很多副作用。如在 PDM 数据卡片中我们并不能通过数据卡片来判别哪些是普通的工程图图档、哪些是分离的工程图图档,导致我们不得不去使用 SOLIDWORKS 程序打开这张图纸后才可以确认是不是分离的工程图,另外 PDM 数据卡片混乱的现象时有发生。
所以,分离的工程图已经不适合现在的人们使用了,作为一个轻量化格式,自 SOLIDWORKS 2005 版本加入,至 SOLIDWORKS 2023 版本开始终结。被全面取代的则是“出详图”模式的出现,现在用户无需使用转档分离的工程图而是将原生工程图文件使用“出详图”选项打开即可完全代替分离的工程图中所有的应用需求。
本期小诺将为大家分享一位客户在升级 SOLIDWORKS 版本之后对于遗留数据的“分离的工程图”故障进行解析,希望可以帮助到大家在日后的工作中如遇到此类问题可以快速的排查和规避问题。
客户反馈:打开以前制作的一张分离的工程图中出现了无法创建尺寸标注的现象,鼠标悬停在视图元素上后应当在鼠标光标附近出现的动态高亮显示效果也不会工作,点击智能尺寸点选视图都无法创建需要的尺寸!


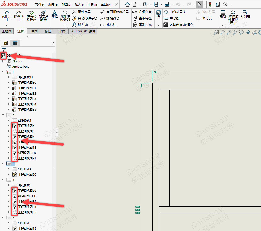
首先拿到客户的图纸文件,可以看到客户同时使用了“分离的工程图”和“多页工程图”,多页工程图易造成数据卡死,或许这是发生问题的原因。后经排查其解决方案也十分简单,在设计树模型视图上对所有包含分离的工程图视图右键菜单 -> “装入模型”,这一步是为了让三维模型加载至内存使其工程图与原三维模型的链接进行关联。
然后,通过另存为的方式存储一个工程图文件,再将出问题的分离工程图替换掉即可,替换掉的视图数据就是正常的,可以正常创建尺寸。



SENSNOW SOFTWARE
PRINCIPAL INVESTIGATOR / Joe.
· 原创内容未经授权严禁转载
· 禁止任何形式的洗稿、抄袭